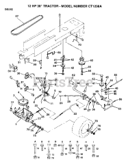
CT 1238 A - Electrolux/AYP Lawn Tractor (1993) Parts & Diagrams Parts Lists & Diagrams

Lawn Tractor