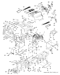
CTH 171 (960610277-00) - Husqvarna Lawn Tractor (2010-01) Parts & Diagrams Parts Lists & Diagrams

Lawn Tractor