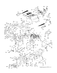
CTH 191 (960610188-02) - Husqvarna Lawn Tractor (2007-05) Parts & Diagrams Parts Lists & Diagrams

Lawn Tractor