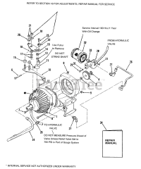
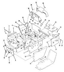
E1-18OE01 (518-HE) - Toro Garden Tractor (1988) Parts & Diagrams Parts Lists & Diagrams

Garden Tractor