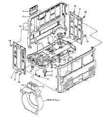
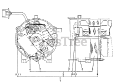
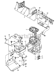
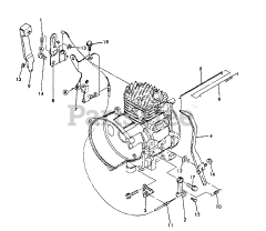
EG-750 - Echo Generator Parts & Diagrams Parts Lists & Diagrams

Generator