My Account
Order Status
Contact Us
ProAdvantage
About Us
Reviews 
Help
Privacy Policy
Terms & Conditions
0
Part#
$
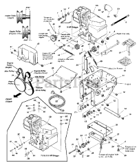
24" Snow Thrower, 8.5hp