EM5000X A (EA7) - Honda Generator, Made in Japan (SN: EA7-2000001 - EA7-3000000) CYLINDER Parts Diagram

Generator, Made in Japan

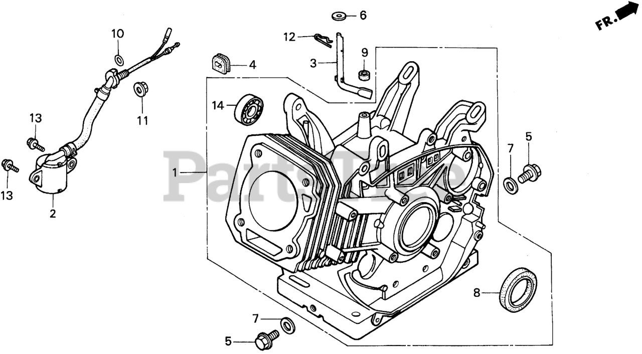
CYLINDER Parts Diagram

  • Title
1

Honda 12000-ZE3-416

SEE PART DETAILS - PRI; CYLINDER ASSY. (ALERT)

$1034.99

$

Usually ships in 3-6 days

0

2

Honda 15510-ZE2-033

SEE PART DETAILS - SUP; SWITCH ASSY., OIL LEVEL (Honda Code 5361605).
(Superseded to 15510-ZE2-043)

$69.99

$

Usually ships in 3-6 days

0

2

Honda 15510-ZE2-043

SEE PART DETAILS - PRI; SWITCH ASSY., OIL LEVEL (Honda Code 5792361).
(Superseded to 15510-ZE2-053)

$69.99

$

Usually ships in 3-6 days

0

2

Honda 15510-ZE2-053

SEE PART DETAILS - PRI; SWITCH ASSY., OIL LEVEL

$69.99

$

Usually ships in 3-6 days

0

3

Honda 16541-ZE3-010

SEE PART DETAILS - PRI; SHAFT, GOVERNOR ARM (Honda Code 4717393).

$17.99

$

Usually ships in 3-6 days

0

4

Honda 31512-ZE2-000

GROMMET, WIRE (Honda Code 2026557).

Note: Use from Engine SN 1253118.

$4.49

$

Usually ships in 3-6 days

0

5

Honda 90131-896-650

SEE PART DETAILS - PRI; BOLT, DRAIN PLUG (Honda Code 1986231).

$5.99

$

In Stock, Qty 10

0

6

Honda 90446-KE1-000

WASHER (8.2X17X0.8) (Honda Code 2027134).

$2.49

$

Usually ships in 3-6 days

0

7

Honda 90601-ZE2-000

WASHER, DRAIN PLUG (12MM) (Honda Code 2028793).

Note: Use up to Engine SN 1463925.

$3.99

$

In Stock, only 1 left!

0

7

Honda 94109-12000

SEE PART DETAILS - PRI; WASHER, DRAIN PLUG (12MM) (Honda Code 0171868).

Note: Use from Engine SN 1463926.

$1.99

$

In Stock, Qty 20+

0

8

Honda 91201-ZE3-004

OIL SEAL (35X52X8) (Honda Code 2108595).

$12.99

$

In Stock, only 2 left!

0

9

Honda 91201-ZE9-003

SEE PART DETAILS - PRI; OIL SEAL (8X14X5) (Honda Code 2461713).

$5.99

$

In Stock, only 2 left!

0

9

Honda 91203-952-771

SEE PART DETAILS - SUP; OIL SEAL (8X14X5) (Honda Code 0744326).
(Superseded to 91201-ZE9-003)

$5.99

$

In Stock, only 2 left!

0

10

Honda 91353-671-003

SEE PART DETAILS - PRI; O-RING (14MM) (ARAI) Use up to Engine SN 2949254.

$3.99

$

In Stock, Qty 20+

0

11

Honda 94050-10000

SEE PART DETAILS - PRI; NUT, FLANGE (10MM) (Honda Code 0483867).

$2.49

$

In Stock, Qty 20+

0

12

Honda 94251-08000

SEE PART DETAILS - PRI; PIN, LOCK (8MM) (Honda Code 0115527).

$1.99

$

In Stock, Qty 20+

0

13

Honda 95701-06012-00

SEE PART DETAILS - PRI; BOLT, FLANGE (6X12) Use up to Engine SN 1543277.

$2.49

$

In Stock, Qty 20+

0

14

Honda 96100-62020-00

SEE PART DETAILS - PRI; BEARING, RADIAL BALL (6202) (Honda Code 0708941).

$13.99

$

In Stock, only 4 left!

0