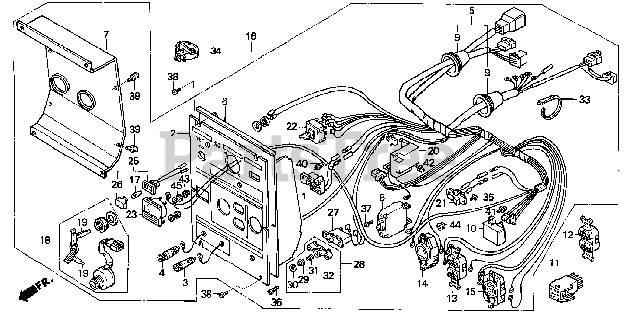
EX4500S K1 A (EB3) - Honda Generator, Made in Japan (SN: EB3-1100001 - EB3-1104211) CONTROL PANEL (TO EB3-1115604) Parts Diagram

Generator, Made in Japan

CONTROL PANEL (TO EB3-1115604) Parts Diagram

  • Title
1

Honda 15520-ZB2-003

ALERT UNIT, OIL

Note: Use up to Frame SN 1101901.

$

$

Not available

2

Honda 31406-ZB8-A31

MARK, CONTROL INDICATION

Note: Use up to Frame SN 1101901.

$

$

Not available

2

Honda 31406-ZB8-A32

MARK, CONTROL INDICATION

Note: Use from Frame SN 1101902.

$191.99

$

Usually ships in 3-6 days

0

3

Honda 31408-880-000

TERMINAL, D.C. OUT (+)

$51.99

$

Usually ships in 3-6 days

0

4

Honda 31409-880-000

SEE PART DETAILS - PRI; TERMINAL, D.C. OUT (-)

$51.99

$

Usually ships in 3-6 days

0

5

Honda 31418-ZB8-632

HARNESS ASSY., CONTROL (EXS-A)

$

$

Not available

6

Honda 31420-ZB8-631

PANEL, CONTROL (EXS-A)

$

$

Not available

7

Honda 31425-ZB7-003

COVER, CONTROL

$

$

Not available

8

Honda 31430-ZB8-630

BREAKER, CIRCUIT (18A)

$263.99

$

Usually ships in 3-6 days

0

9

Honda 31482-ZB4-003

GROMMET, MAIN WIRE

$19.99

$

Usually ships in 3-6 days

0

10

Honda 31710-ZB7-A01

SEE PART DETAILS - SUP; DIODE ASSY.
(Superseded to 31710-ZB7-A02)

$120.99

$

Usually ships in 3-6 days

0

11

Honda 32130-ZB7-000

CONNECTOR ASSY.

$28.99

$

Usually ships in 3-6 days

0

13

Honda 32330-899-631

RECEPTACLE (20A/125V) (MATSUSHITA)

$78.99

$

Usually ships in 3-6 days

0

14

Honda 32332-880-710

SEE PART DETAILS - PRI; RECEPTACLE (3-PRONG) (30A/125V)
(Superseded to 32332-ZB4-630)

$52.99

$

In Stock, only 3 left!

0

15

Honda 32334-ZA0-631

SEE PART DETAILS - PRI; RECEPTACLE (30A/125-250V)

$

$

Not available

16

Honda 32340-ZB8-A31

PANEL ASSY., CONTROL

Note: Use up to Frame SN 1101901.

$

$

Not available

16

Honda 32340-ZB8-A32

PANEL ASSY., CONTROL

Note: Use from Frame SN 1101902.

$

$

Currently unavailable

17

Honda 34908-GE0-701

BULB, WEDGE BASE (12V/2W)

$4.49

$

In Stock, only 1 left!

0

18

Honda 35100-ZA0-013

SEE PART DETAILS - SUP; SWITCH ASSY., COMBINATION
(Superseded to 35100-ZA0-023)

$128.99

$

Usually ships in 3-6 days

0

19

Honda 35111-880-003

SEE PART DETAILS - SUP; KEY
(Superseded to 35111-880-013)

$12.99

$

In Stock, only 3 left!

0

19

Honda 35111-880-013

SEE PART DETAILS - PRI; KEY

$12.99

$

In Stock, only 3 left!

0

20

Honda 36210-ZB4-004

SEE PART DETAILS - SUP; THROTTLE UNIT ASSY., AUTO
(Superseded to 36210-ZB4-014)

$288.99

$

Usually ships in 3-6 days

0

21

Honda 36214-ZB4-003

SEE PART DETAILS - SUP; SWITCH ASSY., AUTO THROTTLE
(Superseded to 36214-ZB4-013)

$

$

Not available

22

Honda 36221-899-630

SWITCH ASSY., VOLT CHANGE

$246.99

$

Usually ships in 3-6 days

0

23

Honda 37450-ZB4-651

METER ASSY., VOLT (300V)

$

$

Not available

25

Honda 37560-ZA0-801

SOCKET ASSY., LAMP (GREEN)

$50.99

$

Usually ships in 3-6 days

0

26

Honda 37563-ZA0-801

LENS (GREEN)

$5.49

$

In Stock, only 1 left!

0

27

Honda 38240-898-000

PROTECTOR, CIRCUIT (DC)

$41.99

$

In Stock, only 2 left!

0

28

Honda 38250-898-000

LENS ASSY., PROTECTOR

$27.99

$

Usually ships in 3-6 days

0

$8.99

$

Usually ships in 3-6 days

0

30

$7.99

$

Usually ships in 3-6 days

0

31

Honda 38253-898-000

SPRING, COIL

$2.49

$

Usually ships in 3-6 days

0

32

Honda 38254-898-000

HOLDER, LENS

$11.99

$

Usually ships in 3-6 days

0

33

Honda 90672-ZB4-003

TIE, CABLE

$6.99

$

Usually ships in 3-6 days

0

35

Honda 93500-03006-0H

SCREW, PAN (3X6)

$1.49

$

In Stock, Qty 10

0

36

Honda 93500-03012-0H

SCREW, PAN (3X12)

$1.49

$

Usually ships in 3-6 days

0

37

Honda 93500-04006-0H

SCREW, PAN (4X6)

$1.49

$

In Stock, Qty 7

0

38

Honda 93500-05010-0A

SCREW, PAN (5X10)

$1.49

$

In Stock, Qty 8

0

39

Honda 93892-04008-08

SCREW-WASHER (4X8)

$1.99

$

Usually ships in 3-6 days

0

40

Honda 93893-04010-08

SEE PART DETAILS - PRI; SCREW-WASHER (4X10)

Note: Use up to Frame SN 1101901.

$1.99

$

In Stock, Qty 5

0

40

Honda 93893-04010-18

SEE PART DETAILS - SUP; SCREW-WASHER (4X10)

Note: Use up to Frame SN 1101901.

$

$

Currently unavailable

41

Honda 93893-04012-08

SEE PART DETAILS - PRI; SCREW-WASHER (4X12)

$1.99

$

Usually ships in 3-6 days

0

41

Honda 93893-04012-18

SEE PART DETAILS - SUP; SCREW-WASHER (4X12)
(Superseded to 93893-04012-08)

$1.99

$

Usually ships in 3-6 days

0

42

Honda 93893-05012-08

SEE PART DETAILS - PRI; SCREW-WASHER (5X12)

$1.99

$

Usually ships in 3-6 days

0

42

Honda 93893-05012-18

SEE PART DETAILS - SUP; SCREW-WASHER (5X12)

$

$

Currently unavailable

43

Honda 90201-ZB4-003

NUT, FLANGE (3MM)

$2.49

$

Usually ships in 3-6 days

0

44

Honda 94050-04080

NUT, FLANGE (4MM)

$1.99

$

In Stock, Qty 6

0