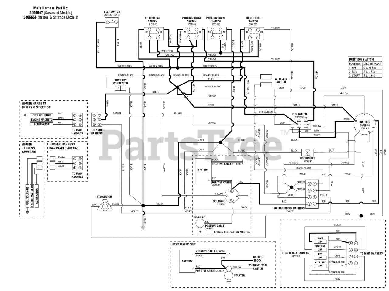
F 50XT (5901239) - Ferris F50XT Series 44" Zero-Turn Mower, 27hp Briggs & Stratton Electrical Schematic - Ign Ground Circuit/Op Pres - S/N: 2016499706 & Below Parts Diagram

F50XT Series 44" Zero-Turn Mower, 27hp Briggs & Stratton

Electrical Schematic - Ign Ground Circuit/Op Pres - S/N: 2016499706 & Below Parts Diagram

  • Title