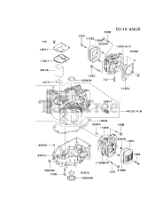
FH451V-BS04 - Kawasaki Engine Parts & Diagrams Parts Lists & Diagrams

Engine