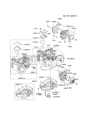
FH500V-CS14 - Kawasaki Engine Parts & Diagrams Parts Lists & Diagrams

Engine