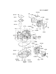
FH541V-CS37 - Kawasaki Engine Parts & Diagrams Parts Lists & Diagrams

Engine