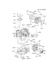
FH580V-AS06 - Kawasaki Engine Parts & Diagrams Parts Lists & Diagrams

Engine