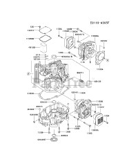
FH601V-AS22 - Kawasaki Engine Parts & Diagrams Parts Lists & Diagrams

Engine