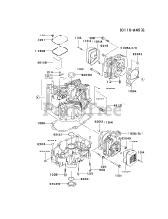
FH641V-BS20 - Kawasaki Engine Parts & Diagrams Parts Lists & Diagrams

Engine