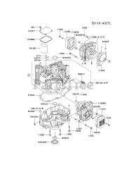
FH680V-AS09 - Kawasaki Engine Parts & Diagrams Parts Lists & Diagrams

Engine