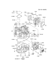
FH680V-AS26 - Kawasaki Engine Parts & Diagrams Parts Lists & Diagrams

Engine