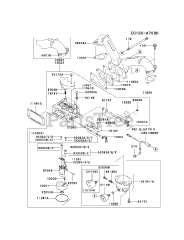
FH680V-ES32 - Kawasaki Engine Parts & Diagrams Parts Lists & Diagrams

Engine