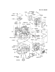
FH680V-GS12 - Kawasaki Engine Parts & Diagrams Parts Lists & Diagrams

Engine