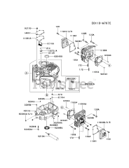
FR691V-AS10 - Kawasaki Engine Parts & Diagrams Parts Lists & Diagrams

Engine