FRC800 AN (FAHJ) - Honda 20" Tiller, Made in Japan (SN: FAHJ-1000001 - FAHJ-9999999) CYLINDER Parts Diagram

20" Tiller, Made in Japan

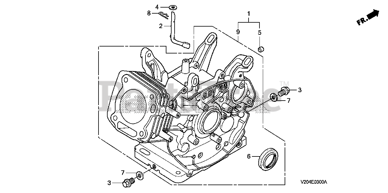
CYLINDER Parts Diagram

  • Title
2

Honda 16541-ZE2-010

SEE PART DETAILS - PRI; SHAFT, GOVERNOR ARM

$13.99

$

Usually ships in 3-6 days

0

3

Honda 90131-896-650

SEE PART DETAILS - PRI; BOLT, DRAIN PLUG (Honda Code 1986231).

$5.99

$

In Stock, only 2 left!

0

4

Honda 90446-KE1-000

WASHER (8.2X17X0.8) (Honda Code 2027134).

$2.49

$

Usually ships in 3-6 days

0

6

Honda 91201-890-003

OIL SEAL (30X46X8) (Honda Code 0756494).

$12.99

$

In Stock, only 1 left!

0

7

Honda 94109-12000

SEE PART DETAILS - PRI; WASHER, DRAIN PLUG (12MM) (Honda Code 0171868).

$1.99

$

In Stock, Qty 20+

0

8

Honda 94251-10000

PIN, LOCK (10MM) (Honda Code 0159269).

$1.99

$

In Stock, only 3 left!

0

9

Honda 12000-ZE2-405

CYLINDER ASSY. (STD)

$752.99

$

Usually ships in 3-6 days

0