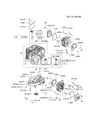
FS600V-AS17 - Kawasaki Engine Parts & Diagrams Parts Lists & Diagrams

Engine