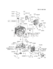
FS600V-BS07 - Kawasaki Engine Parts & Diagrams Parts Lists & Diagrams

Engine