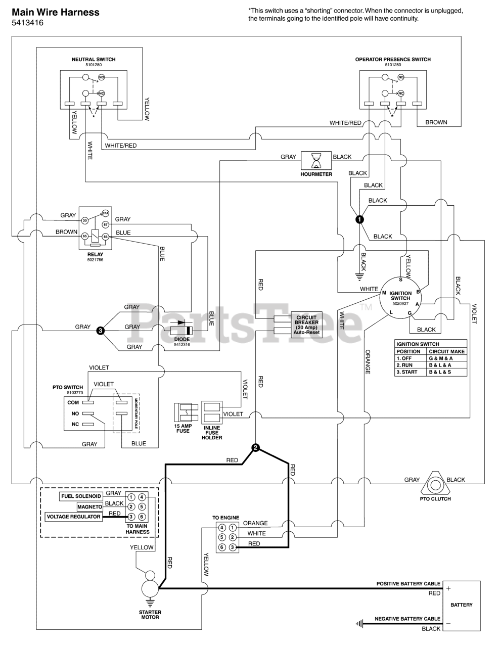
FW 35 (5901457) - Ferris FW35 Series 48" Walk-Behind Mower, 26hp Briggs & Stratton Electrical Schematic - Charging Circuit B&S BV S/N: 2017711825 & Below Parts Diagram

FW35 Series 48" Walk-Behind Mower, 26hp Briggs & Stratton

Electrical Schematic - Charging Circuit B&S BV S/N: 2017711825 & Below Parts Diagram

  • Title
5413416

Ferris 5413416

WIRE HARNESS, SW35, BV, NO BRAKE

$432.99

$

Usually ships in 2-12 days

0