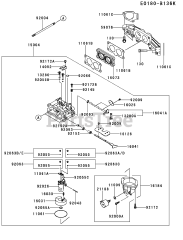
FX691V-BS32 - Kawasaki Engine Parts & Diagrams Parts Lists & Diagrams

Engine