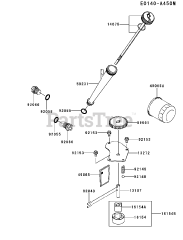
FX850V-AS45 - Kawasaki Engine Parts & Diagrams Parts Lists & Diagrams

Engine