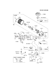
FX850V-CS00 - Kawasaki Engine Parts & Diagrams Parts Lists & Diagrams

Engine