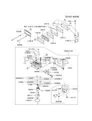
FX850V-DS09 - Kawasaki Engine Parts & Diagrams Parts Lists & Diagrams

Engine