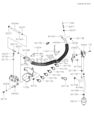
FXT00V-AW07 - Kawasaki Engine Parts & Diagrams Parts Lists & Diagrams

Engine