GT 2000 (14W-3DM-210) - Cub Cadet Garden Tractor (2011) Kohler CH640-3051 Head, Valve & Breather Parts Diagram

Garden Tractor

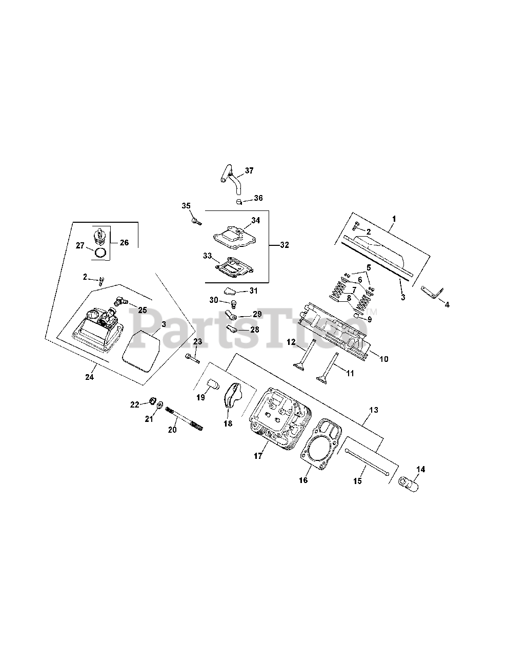
Kohler CH640-3051 Head, Valve & Breather Parts Diagram

  • Title
1

Cub Cadet KH-24-755-141-S

KIT, VALVE COVER-PLAIN

Note: (Includes 2,3)

$39.99

$

In Stock, Qty 11

0

2

Cub Cadet KH-M-651030-S

SCREW, FLG M6X1.0X30
(Superseded to KH-25-086-797-S)

$2.99

$

Usually ships in 3-6 days

0

3

Cub Cadet KH-24-153-30-S

O-RING, VALVE COVER

$11.99

$

Usually ships in 2-5 days

0

4

Cub Cadet KH-25-445-01-S

STRAP, LIFTING
(Superseded to KH-25-445-03-S)

$2.49

$

Usually ships in 2-5 days

0

5

Cub Cadet KH-12-755-03

KIT, RETAINER

$5.99

$

In Stock, Qty 11

0

6

Cub Cadet KH-12-173-01

CAP, VALVE SPRING
(Superseded to KH-25-173-28-S)

$8.49

$

Usually ships in 2-5 days

0

7

Cub Cadet KH-24-089-02

SPRING, VALVE

$

$

Not available

8

Cub Cadet KH-235011-S

RETAINER, SPRING

$6.49

$

In Stock, only 2 left!

0

9

Cub Cadet KH-66-032-05-S

SEAL, VALVE STEM
(Superseded to KH-25-032-14-S)

$11.99

$

In Stock, Qty 20+

0

10

Cub Cadet KH-24-318-107-S

KIT, #1 CYLINDER HEAD ASSEMBLY
(Superseded to KH-24-318-202-S)

$303.99

$

Usually ships in 3-6 days

0

11

Cub Cadet KH-24-017-01

VALVE, INTAKE (STD)

$

$

Not available

11

Cub Cadet KH-24-017-02

VALVE, INTAKE (.25)

$

$

Not available

12

Cub Cadet KH-24-016-01

VALVE, EXHAUST (STD)
(Superseded to KH-32-016-01-S)

$20.99

$

In Stock, Qty 9

0

12

Cub Cadet KH-24-016-02

VALVE, EXHAUST (.25)

$

$

Not available

13

Cub Cadet KH-24-755-66

KIT, VALVE TRAIN

Note: (Includes 15,18,19)

$

$

Not available

14

Cub Cadet KH-25-351-07-S

LIFTER, VALVE HYDRAULIC
(Superseded to KH-25-351-11-S)

$29.99

$

Usually ships in 2-5 days

0

15

$

$

Not available

16

Cub Cadet KH-24-841-01-S

KIT, CYL HEAD GASKE T (C17-22)

Note: (Includes head mounting hardware)

$45.99

$

In Stock, Qty 5

0

17

Cub Cadet KH-24-318-115-S

KIT, #2 CYLINDER HEAD ASSEMBLY
(Superseded to KH-24-318-203-S)

$303.99

$

Usually ships in 3-6 days

0

18

$

$

Not available

19

Cub Cadet KH-24-599-02-S

PIVOT, ROCKER ARM

$2.49

$

In Stock, Qty 8

0

20

Cub Cadet KH-62-086-08-S

SCREW-HEX, FLG, M10 X 1.5 X 90

$5.99

$

In Stock, Qty 5

0

21

Cub Cadet N/A

Not used in this application

$

$

Currently unavailable

22

Cub Cadet N/A

Not used in this application

$

$

Currently unavailable

23

Cub Cadet KH-M-640034-S

SCREW, FLG M6X1.0X34

$2.49

$

Usually ships in 2-5 days

0

24

Cub Cadet KH-24-559-10-S

KIT, VALVE COVER-FUEL PUMP

Note: (Includes 2,3,23-25)

$173.99

$

In Stock, only 2 left!

0

25

Cub Cadet KH-25-294-11-S

KIT, 90 DEG. FITTING

$11.99

$

In Stock, only 2 left!

0

26

Cub Cadet KH-24-227-02-S

CAP ASSY, OIL FILL (YELLOW)

Note: (Includes 25)

$7.99

$

In Stock, only 2 left!

0

$2.99

$

In Stock, only 3 left!

0

28

Cub Cadet KH-66-018-04-S

RETAINER, REED

$4.99

$

In Stock, only 1 left!

0

29

Cub Cadet KH-24-402-03

REED, BREATHER
(Superseded to KH-24-402-06-S)

$3.49

$

Usually ships in 3-6 days

0

30

Cub Cadet KH-M-0545010

SCREW, FLG THD FRM M5X.8X10

$

$

Not available

31

Cub Cadet KH-24-050-11-S

FILTER, BREATHER

$2.49

$

In Stock, Qty 8

0

32

Cub Cadet KH-24-033-01

KIT, BREATHER ASSEMBLY

Note: (Includes 31-33)

$

$

Not available

33

Cub Cadet KH-24-041-67-S

GASKET, BREATHER

$13.99

$

In Stock, Qty 10

0

34

Cub Cadet KH-24-033-01

KIT, BREATHER ASSEMBLY

$

$

Not available

35

Cub Cadet KH-M-645020-S

SCREW, FLG THD FRM M6X1.0X20
(Superseded to KH-25-086-396-S)

$2.99

$

In Stock, Qty 7

0

36

Cub Cadet KH-25-237-14-S

CLAMP, HOSE 1/2''
(Superseded to KH-25-237-31-S)

$5.99

$

In Stock, only 2 left!

0

37

Cub Cadet KH-24-326-89-S

BREATHER HOSE

$12.99

$

In Stock, Qty 11

0

Cub Cadet KH-24-755-147-S

KIT, CYLINDER HEAD HARDWARE

Note: NOT ILLUSTRATED (SERVICES 1 HEAD. QUANTITIES LISTED ARE FOR BOTH HEADS)

$96.99

$

In Stock, only 2 left!

0

Cub Cadet KH-25-139-60-S

PLUG, CTSK PIPE 1/8''

Note: Not shown

$3.49

$

In Stock, only 2 left!

0