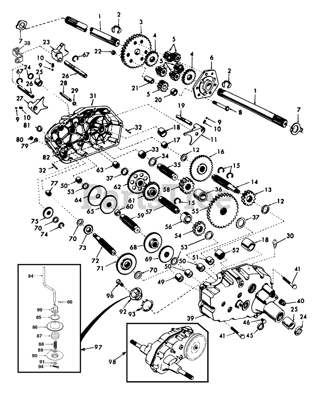
GT 2254 (960230005-00) - Husqvarna 54" Garden Tractor (2005-05) Gear Drive Transaxle Parts Diagram

54" Garden Tractor

Gear Drive Transaxle Parts Diagram

  • Title
1

Husqvarna 532124662

AXLE SHAFT T
(Superseded to 532004197)

$

$

Not available

2

Husqvarna 812000034

Retaining Ring

$

$

Not available

3

Husqvarna 532004199

FINAL GEAR T
(Superseded to 532184956)

$

$

Not available

4

Husqvarna 532004216

DIFF GEAR T

$

$

Not available

5

Husqvarna 532004215

DIFF PINION T

$

$

Not available

6

Husqvarna 532004217

DIFF CARRIER T

$

$

Not available

7

Husqvarna 532174728

WASHER.AXLE

$

$

Not available

8

Husqvarna 874020652

Bolt, Hex Head 3/8-24 x 3-1/4 (1" Thread Length)

$

$

Not available

9

Husqvarna 532124697

STEEL BALL KIT
(Superseded to 532100482)

$5.99

$

In Stock, Qty 14

0

10

Husqvarna 532137261

SPRING
(Superseded to 532145359)

$

$

Not available

11

Husqvarna 532004985

NLA SHIFT FORK T

$

$

Not available

12

Husqvarna 532124931

THRUST WASHER
(Superseded to 532006266)

$4.99

$

In Stock, Qty 20+

0

13

Husqvarna 532124667

RED PINION T
(Superseded to 532004212)

$

$

Not available

14

Husqvarna 532137125

GEAR SHAFT

$125.99

$

Usually ships in 3-10 days

0

15

Husqvarna 532124677

SNAP RING T
(Superseded to 532006276)

$

$

Not available

16

Husqvarna 532124679

GEAR T
(Superseded to 532063363)

$

$

Not available

17

$14.99

$

In Stock, Qty 5

0

18

Husqvarna 532124705

BEARING
(Superseded to 532008740)

$

$

Not available

$

$

Not available

20

$

$

Not available

21

Husqvarna 532124673

PINION RS
(Superseded to 532006252)

$

$

Not available

22

Husqvarna 532124701

GRIPCO NUT
(Superseded to 873610600)

$

$

Not available

$

$

Not available

24

Husqvarna 532124698

OIL SEAL STD
(Superseded to 532007393)

$3.49

$

In Stock, only 1 left!

0

25

Husqvarna 532124709

BRNG. T
(Superseded to 532000992)

$

$

Not available

26

Husqvarna 532139111

SHAFT SHIFT FORK

$

$

Not available

27

Husqvarna 532004986

SHIFT FORK T

$

$

Not available

28

Husqvarna 532122254

SHIFT SHAFT

$

$

Not available

29

Husqvarna 532006269

SEAL.OIL.SHAFT.SHIFT.T

$

$

Not available

30

$

$

Not available

31

Husqvarna 532174731

GEARCASE.RH.W/BEARING.GT

Note: (Includes Key No.'s 17,18, 25, 33, 50, 63, 77

$

$

Not available

$

$

Not available

33

Husqvarna 532004225

NEEDLE BRNG T

$

$

Not available

34

Husqvarna 532007396

WASHER RACE BEARING THRUST

$

$

Not available

35

Husqvarna 532004198

GEAR SHAFT T

$

$

Not available

36

Husqvarna 532124663

GEAR SPACER T
(Superseded to 532004200)

$

$

Not available

$

$

Not available

38

Husqvarna 532160789

GAT.LOWE.SHIFT.VGT

$

$

Not available

39

Husqvarna 532174729

GEARCASE.ASM.LH.W/BRG TRACTOR

Note: (Includes key Numbers 18, 25, 49,

$

$

Not available

40

Husqvarna 813320400

Pipe Plug 1/2-14 N.P.T.

$

$

Not available

41

Husqvarna 817580520

BOLT.5/16-18X1.25

$4.99

$

In Stock, only 1 left!

0

$

$

Not available

46

$

$

Not available

49

Husqvarna 532124792

BEARING TI
(Superseded to 532004895)

$13.99

$

In Stock, Qty 20+

0

50

Husqvarna 532004222

NEEDLE BRNG T

$

$

Not available

51

Husqvarna 532001529

NEEDLE BRNG T

$

$

Not available

52

Husqvarna 532008119

BEARING STD

$

$

Not available

53

Husqvarna 532004220

BRNG RACE T

$

$

Not available

54

Husqvarna 532004209

RED PINION T

$

$

Not available

55

Husqvarna 532124668

RED GEAR T
(Superseded to 532004213)

$

$

Not available

56

Husqvarna 532004442

PINION SPACER T

$

$

Not available

57

Husqvarna 532004195

GEAR SHAFT T

$

$

Not available

58

Husqvarna 532004214

FINAL PINION T

$

$

Not available

59

Husqvarna 532004194

GEAR SHAFT T

$

$

Not available

60

$

$

Not available

61

Husqvarna 532124666

RED PINION T
(Superseded to 532004208)

$

$

Not available

62

Husqvarna 532124665

RED GEAR T

$

$

Not available

$

$

Not available

64

Husqvarna 532124664

LOW SPEED GEAR T
(Superseded to 532004203)

$

$

Not available

65

Husqvarna 532004204

GEAR.REVERSE.T

$

$

Not available

$

$

Not available

67

Husqvarna 812000033

Snap Ring, Crescent Type

$

$

Not available

68

Husqvarna 532004205

GEAR.SPEED.INTERMEDIATE.T/A

$

$

Not available

69

Husqvarna 532125099

HIGH SPEED GEAR T
(Superseded to 583750601)

$

$

Not available

70

Husqvarna 532001370

THRUST WASHER

$5.99

$

In Stock, Qty 20+

0

71

Husqvarna 532124681

CLUSTER GEAR T
(Superseded to 532063369)

$

$

Not available

72

Husqvarna 532139120

SHAFT
(Superseded to 532188670)

$

$

Not available

73

Husqvarna 532004201

LO SPEED PINION T

$

$

Not available

74

$9.49

$

In Stock, Qty 10

0

75

Husqvarna 532001153

IDLER GEAR T

$

$

Not available

77

Husqvarna 532006803

NEEDLE BEARING TI

$11.99

$

In Stock, Qty 17

0

79

$

$

Not available

80

Husqvarna 873360700

NUT **
(Superseded to 873610700)

$6.99

$

In Stock, Qty 20+

0

81

Husqvarna 532124675

SEAL STD
(Superseded to 532006270)

$

$

Not available

82

Husqvarna 532136984

SHAFT REVERSE IDL

$

$

Not available

84

Husqvarna 532005384

GEAR SHIFT LVR T

$

$

Not available

$

$

Not available

86

Husqvarna 532124682

COVER AND PIN T
(Superseded to 532063385)

$

$

Not available

87

Husqvarna 532124704

GUIDE BALL T
(Superseded to 532008739)

$34.99

$

Usually ships in 3-10 days

0

88

$9.49

$

Usually ships in 3-10 days

0

89

Husqvarna 819151516

WASHER
(Superseded to 594976501)

$3.49

$

In Stock, Qty 7

0

90

Husqvarna 532110542

SEAL.SHIFT

$4.99

$

Usually ships in 3-10 days

0

91

Husqvarna 819181511

Washer 9/16 x 15/16 x 12 Gauge

$

$

Not available

92

Husqvarna 532000075

GEAR SHIFT GATE T

$

$

Not available

93

$

$

Not available

94

Husqvarna 876020412

COTTER PIN
(Superseded to 596029501)

$3.49

$

In Stock, only 2 left!

0

96

Husqvarna 532194036

BOLT.HEX.5/16-18X1EPOX

$

$

Not available

97

Husqvarna 532194121

LEVER.ASM.SHIFT
(Superseded to 532421069)

$51.99

$

Usually ships in 3-10 days

0

98

Husqvarna 532184956

TRANSAXLE 6SP

$

$

Not available

99

Husqvarna 532193833

ACTUATOR.LVR.SHFT.VGT

$

$

Not available