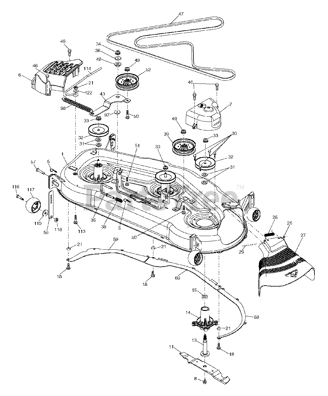
GT 2254 (960250002-00) - Husqvarna 54" Garden Tractor (2005-05) Mower Deck Parts Diagram

54" Garden Tractor

Mower Deck Parts Diagram

  • Title
1

Husqvarna 532188920

Deck Weldment Mower
(Superseded to 532196498)

$

$

Not available

5

Husqvarna 532124670

Retainer Spring

$

$

Not available

6

Husqvarna 532187297

Cover Mandrel LH

$31.99

$

In Stock, only 2 left!

0

7

Husqvarna 532188187

Cover Mandrel RH

$31.99

$

In Stock, only 2 left!

0

8

Husqvarna 532174365

Bolt 7/16 Asm. Blade
(Superseded to 532193003)

$9.49

$

In Stock, Qty 20+

0

11

Husqvarna 532187254

Blade Standard
(Superseded to 532187255)

$22.99

$

In Stock, Qty 20+

0

13

Husqvarna 532187291

Shaft Asm. w/Lower Bearing

$31.99

$

In Stock, Qty 20+

0

14

Husqvarna 532187281

Mandrel Housing
(Superseded to 587819701)

$62.99

$

In Stock, Qty 20+

0

15

Husqvarna 532110485

Bearing, Ball, Mandrel

$14.99

$

In Stock, Qty 20+

0

18

Husqvarna 872140505

Bolt Rdhd Sqnk 5/16-18 x 5/8
(Superseded to 596136401)

$3.49

$

In Stock, Qty 20+

0

21

Husqvarna 873680500

Nut, Crownlock 5/16-18 unc
(Superseded to 873690500)

$

$

Not available

25

Husqvarna 532178102

Spring Torsion
(Superseded to 539107609)

$5.99

$

In Stock, Qty 20+

0

26

$3.49

$

In Stock, Qty 20+

0

27

Husqvarna 532188938

Deflector Shield
(Superseded to 532187257)

$74.99

$

In Stock, Qty 20+

0

29

Husqvarna 532131491

Rod, Hinge
(Superseded to 595297001)

$6.99

$

In Stock, Qty 20+

0

30

Husqvarna 532173984

Screw Thd Roll
(Superseded to 584953901)

$1.49

$

In Stock, Qty 20+

0

31

Husqvarna 532187690

Washer, Spacer Mower Vented

$5.99

$

In Stock, Qty 20+

0

32

Husqvarna 532173436

Pulley, Mandrel

$20.99

$

In Stock, Qty 20+

0

33

Husqvarna 532178342

Nut, Flg. Top Lock Cntr. 9/16
(Superseded to 596134801)

$2.49

$

In Stock, Qty 20+

0

$

$

Not available

35

Husqvarna 532188635

Pin Suspension Rear

$25.99

$

In Stock, only 2 left!

0

36

Husqvarna 819131316

Washer 13/32 x 13/16 x 16 Ga.
(Superseded to 596565301)

$3.49

$

In Stock, Qty 20+

0

38

Husqvarna 532188657

Spring Compression

$5.99

$

In Stock, Qty 11

0

39

Husqvarna 532187284

Pulley, Idler, Stationary

$56.99

$

In Stock, Qty 6

0

42

Husqvarna 532122052

Spacer, Retainer
(Superseded to 532165723)

$6.99

$

In Stock, only 4 left!

0

43

Husqvarna 532187278

Arm, Idler
(Superseded to 532196216)

$262.99

$

Usually ships in 3-10 days

0

46

Husqvarna 532137729

Screw, Thdroll. 1/4-20 x 5/8

$2.49

$

In Stock, Qty 20+

0

47

Husqvarna 532191273

V-Belt, Mower, Secondary
(Superseded to 584451901)

$96.99

$

In Stock, only 3 left!

0

49

Husqvarna 873900600

Nut, Lock Flg. 3/8-16 unc
(Superseded to 532409149)

$1.49

$

In Stock, Qty 20+

0

50

Husqvarna 872110616

Bolt, Carr. 3/8-16 x 2
(Superseded to 596136301)

$3.49

$

In Stock, Qty 20+

0

51

Husqvarna 872110610

Bolt 3/8-16 x 1-1/4 Gr. 5
(Superseded to 596987501)

$4.99

$

In Stock, only 2 left!

0

52

Husqvarna 532188460

Pulley Idler clutching

$

$

Not available

56

Husqvarna 532155986

Bar Pnt Adj.

$26.99

$

In Stock, only 2 left!

0

57

Husqvarna 532156941

Pin Head Rivet

$5.99

$

In Stock, only 1 left!

0

58

Husqvarna 532187342

Baffle Right
(Superseded to 531168601)

$20.99

$

In Stock, Qty 15

0

59

Husqvarna 532187344

Baffle Left
(Superseded to 531168701)

$26.99

$

In Stock, Qty 20+

0

60

Husqvarna 532187607

Baffle Center
(Superseded to 531168801)

$26.99

$

In Stock, Qty 15

0

97

Husqvarna 819133210

Washer Hardened
(Superseded to 596135501)

$5.99

$

In Stock, Qty 11

0

98

Husqvarna 532187282

Spring Clutch Drive

$

$

Not available

113

Husqvarna 872110508

Bolt Rdhd Sqnk 5/16-18 unc x 3/4
(Superseded to 596435701)

$3.49

$

In Stock, Qty 20+

0

114

Husqvarna 532187556

Rod Tension Relief

$22.99

$

In Stock, only 2 left!

0

116

Husqvarna 532193406

Bolt, Shoulder
(Superseded to 596434404)

$2.49

$

In Stock, Qty 20+

0

117

Husqvarna 532174873

Gauge Wheel
(Superseded to 589527301)

$10.99

$

In Stock, Qty 20+

0

118

Husqvarna 873930600

Nut, Centerlock 3/8-16 unc
(Superseded to 873680600)

$

$

Not available

119

Husqvarna 819121414

Washer 3/8 x 7/8 x 14 Ga.
(Superseded to 596134901)

$3.49

$

In Stock, Qty 20+

0

122

Husqvarna 532187557

Bushing Tension Relief

$9.49

$

In Stock, only 3 left!

0

Husqvarna 532187292

Mandrel Asm. Service
(Superseded to 587820301)

Note: (Includes Key Nos. 13-15 and 33)

$62.99

$

In Stock, Qty 20+

0

Husqvarna 532188377

Replacement Mower, Complete
(Superseded to 532196099)

$

$

Not available