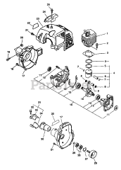
GT-2400 - Echo String Trimmer (Original Version) Parts & Diagrams Parts Lists & Diagrams

String Trimmer