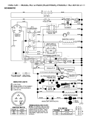
GTH 200 (954840001-A) - Husqvarna Garden Tractor (1996-04) Parts & Diagrams Parts Lists & Diagrams

Garden Tractor