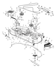
GTH 2654 (960230006-00) - Husqvarna 54" Garden Tractor (2005-03) Parts & Diagrams Parts Lists & Diagrams

54" Garden Tractor