GTH 2654 (960250001-01) - Husqvarna 54" Garden Tractor (2005-06) Mower Deck Parts Diagram

54" Garden Tractor

Mower Deck Parts Diagram

  • Title
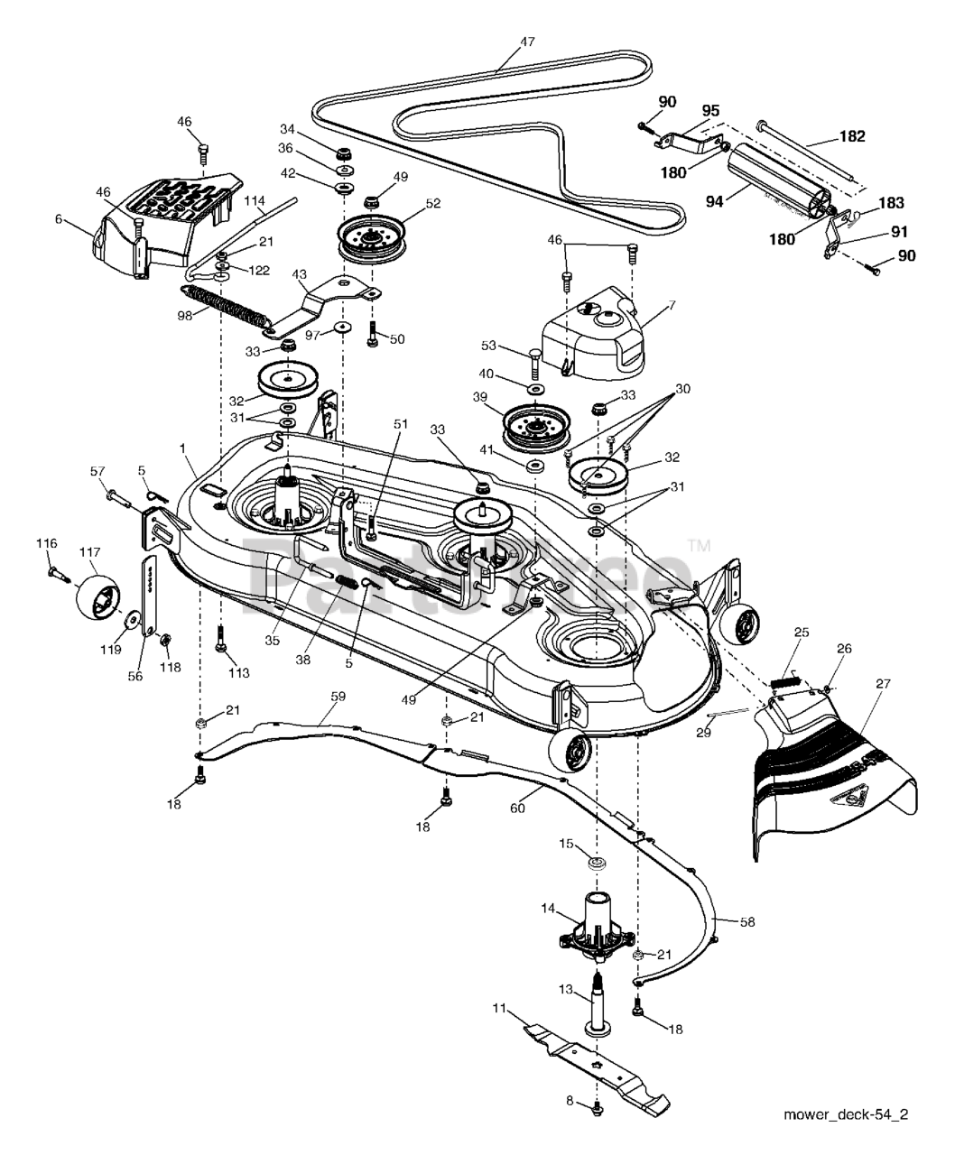
1

Husqvarna 532196838

DECK.PNT.WLDMENT.54"
(Superseded to 532196498)

$

$

Not available

5

Husqvarna 532124670

RETAINER-SPRNG RB

$

$

Not available

6

Husqvarna 532187297

COVER.MANDREL.LH.DECK.54"

$31.99

$

In Stock, only 3 left!

0

7

Husqvarna 532188187

COVER.MANDREL.RH.DECK.54"

$31.99

$

In Stock, Qty 8

0

8

Husqvarna 532174365

BOLT 7/16 ASM BLADE
(Superseded to 532193003)

$9.49

$

In Stock, Qty 20+

0

11

Husqvarna 532187254

Blade Standard
(Superseded to 532187255)

$22.99

$

In Stock, Qty 20+

0

13

Husqvarna 532187291

SHAFT ASM MANDREL

$31.99

$

In Stock, Qty 20+

0

14

Husqvarna 532187281

RP.HOUSING.MANDREL.4PT.
(Superseded to 587819701)

$62.99

$

In Stock, Qty 20+

0

15

$14.99

$

In Stock, Qty 20+

0

18

Husqvarna 872140505

BOLT
(Superseded to 596136401)

$3.49

$

In Stock, Qty 20+

0

21

Husqvarna 873680500

LOCKNUT
(Superseded to 873690500)

$

$

Not available

25

Husqvarna 532178102

SPRING, TORSION
(Superseded to 539107609)

$5.99

$

In Stock, Qty 20+

0

26

Husqvarna 532110452

NUT PUSH M

$3.49

$

In Stock, Qty 20+

0

27

Husqvarna 532188938

DEFLECTOR
(Superseded to 532187257)

$74.99

$

In Stock, Qty 20+

0

29

Husqvarna 532131491

ROD.HINGE
(Superseded to 595297001)

$6.99

$

In Stock, Qty 20+

0

30

Husqvarna 532173984

SCREW, WASHER HEAD
(Superseded to 584953901)

$1.49

$

In Stock, Qty 20+

0

31

Husqvarna 532187690

WASHER.SPACER.MANDREL

$5.99

$

In Stock, Qty 20+

0

32

Husqvarna 532173436

PULLEY MANDREL

$20.99

$

In Stock, Qty 20+

0

33

Husqvarna 532178342

NUT, FLG TOPLOCK 9/16"
(Superseded to 596134801)

$2.49

$

In Stock, Qty 20+

0

34

$

$

Not available

35

Husqvarna 532188635

PIN.SUSPENSION.REAR.54"

$25.99

$

In Stock, only 1 left!

0

36

Husqvarna 819131316

WASHER
(Superseded to 596565301)

$3.49

$

In Stock, Qty 20+

0

38

Husqvarna 532188657

SPRING COMPRESSION PULL

$5.99

$

In Stock, Qty 11

0

39

Husqvarna 532187284

PULLEY.IDLER.STATIONARY

$56.99

$

In Stock, Qty 6

0

40

Husqvarna 819131312

WASHER
(Superseded to 734117201)

$3.49

$

In Stock, Qty 20+

0

41

Husqvarna 819132203

Washer 13/32 x 1-3/8 x 3 Ga.

$5.99

$

In Stock, only 3 left!

0

42

Husqvarna 532122052

SPACER RETAINER
(Superseded to 532165723)

$6.99

$

In Stock, Qty 20+

0

43

Husqvarna 532196216

ARM.IDLER.54"

$262.99

$

Usually ships in 3-10 days

0

46

Husqvarna 532137729

SCREW.1/4-20X5/8

$2.49

$

In Stock, Qty 20+

0

47

Husqvarna 532191273

V-BELT 54" HIGH PERFORMANCE
(Superseded to 584451901)

$96.99

$

In Stock, Qty 6

0

49

Husqvarna 873900600

NUT LOCK FLG 3/8-16 UNC
(Superseded to 532409149)

$1.49

$

In Stock, Qty 20+

0

50

Husqvarna 872110616

BOLT
(Superseded to 596136301)

$3.49

$

In Stock, Qty 20+

0

51

Husqvarna 872110610

BOLT
(Superseded to 596987501)

$4.99

$

In Stock, Qty 12

0

52

Husqvarna 532188460

IDLER PULLEY

$

$

Not available

53

Husqvarna 874780636

BOLT.HEX
(Superseded to 596564404)

$3.49

$

In Stock, Qty 18

0

56

Husqvarna 532155986

BAR.ADJUST.WHEEL.ANTI.SCALP.BL

$26.99

$

In Stock, Qty 6

0

57

Husqvarna 532156941

RIVET.PIN.HEAD.YELLOW.

$5.99

$

In Stock, only 1 left!

0

58

Husqvarna 532187342

BAFFLE.RIGHT.54"
(Superseded to 531168601)

$20.99

$

In Stock, Qty 20+

0

59

Husqvarna 532187344

BAFFLE.LEFT.54"
(Superseded to 531168701)

$26.99

$

In Stock, Qty 20+

0

60

Husqvarna 532187607

BAFFLE CENTER 54" MOWER
(Superseded to 531168801)

$26.99

$

In Stock, Qty 8

0

90

Husqvarna 874760516

BOLT RB
(Superseded to 596580801)

$3.49

$

In Stock, Qty 20+

0

91

Husqvarna 532180535

BRKT.NOSEROLLER.RH.48"
(Superseded to 529846201)

$6.99

$

In Stock, only 1 left!

0

94

Husqvarna 532176066

NOSE ROLLER 48"

$14.99

$

In Stock, Qty 20+

0

95

Husqvarna 532180534

BRKT.NOSEROLLER.LH.48"
(Superseded to 529846101)

$

$

Not available

97

Husqvarna 819133210

WASHER 12/32X2X10GA
(Superseded to 596135501)

$5.99

$

In Stock, only 3 left!

0

98

Husqvarna 532187282

SPRING.CLUTCH.DRIVE.54

$

$

Not available

113

Husqvarna 872110508

BOLT CRT
(Superseded to 596435701)

$3.49

$

In Stock, Qty 20+

0

114

Husqvarna 532187556

ROD TENSION RELIEF

$22.99

$

In Stock, only 1 left!

0

116

Husqvarna 532193406

BOLT.SHOULDER.3/8-16X3-5/8.
(Superseded to 596434404)

$2.49

$

In Stock, Qty 20+

0

117

Husqvarna 532174873

RP WHEEL. GUAGE RALLY
(Superseded to 589527301)

$10.99

$

In Stock, Qty 20+

0

118

Husqvarna 873930600

LOCKNUT
(Superseded to 873680600)

$

$

Not available

119

Husqvarna 819121414

WASHER.5/16.FLAT.STE.STD.
(Superseded to 596134901)

$3.49

$

In Stock, Qty 20+

0

122

Husqvarna 532187557

BUSHING.RELIEF.TENSION

$9.49

$

In Stock, Qty 12

0

180

Husqvarna 873800500

NUT.71038.31-18.HEX.NYLOCK

$

$

Not available

182

Husqvarna 532179127

ROD.ROLLER.NOSE.NARROW.48"
(Superseded to 594092501)

$6.99

$

In Stock, Qty 20+

0

183

Husqvarna 532163552

SPRING RETAINER
(Superseded to 532003146)

$3.49

$

In Stock, Qty 20+

0

Husqvarna 532187292

RP.MANDREL ASM. SERVICE
(Superseded to 587820301)

Note: (Includes Key Nos. 13-15 and 33)

$62.99

$

In Stock, Qty 20+

0

Husqvarna 532196099

DECK ASM SVC 54"4GWB.GREY

Note: (Std. deck order separately nose roller components key nos. 90,91, 94, 95, 180, 182, 183)

$

$

Not available