GV35 A2 (GV35) - Honda Engine, Made in Japan (SN: GV35-1000001 - GV35-1015927) OPTIONAL PARTS Parts Diagram

Engine, Made in Japan

OPTIONAL PARTS Parts Diagram

  • Title
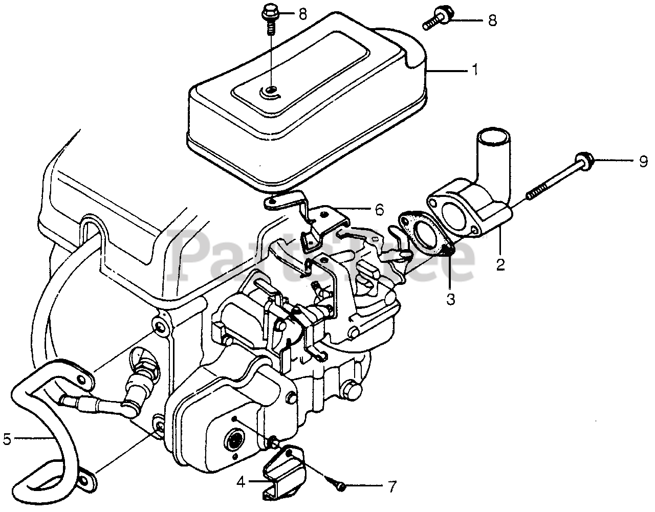
1

Honda 17235-879-811

SEE PART DETAILS - PRI; COVER, CARBURETOR (Honda Code 0452417).

Note: (Optional).

$

$

Not available

2

Honda 17411-879-810

ELBOW, CLEANER (Honda Code 1075159).

Note: (Optional).

$

$

Not available

3

Honda 17481-879-810

GASKET, AIR CLEANER ELBOW (Honda Code 0452979).

Note: (Optional).

$

$

Currently unavailable

4

Honda 18351-879-810

DEFLECTOR, MUFFLER (Honda Code 0452482).

Note: (Optional).

$

$

Not available

5

Honda 19671-879-810

GUARD, PLUG (Honda Code 0452540).

Note: (Optional).

$

$

Not available

6

Honda 36111-879-811

SEE PART DETAILS - PRI; STAY, ENGINE SWITCH (Honda Code 0452623).

Note: (Optional).

$

$

Not available

7

Honda 93901-15010

SCREW, TAPPING (5X8) (Honda Code 0561944).

Note: (Optional).

$0.99

$

Usually ships in 3-6 days

0

8

Honda 95701-06012-08

SEE PART DETAILS - PRI; BOLT, FLANGE (6X12) (Honda Code 2170793).

Note: (Optional).

$2.49

$

In Stock, only 4 left!

0

9

Honda 95701-06050-08

SEE PART DETAILS - PRI; BOLT, FLANGE (6X50) (Honda Code 2647410).

Note: (Optional).

$3.49

$

Usually ships in 3-6 days

0