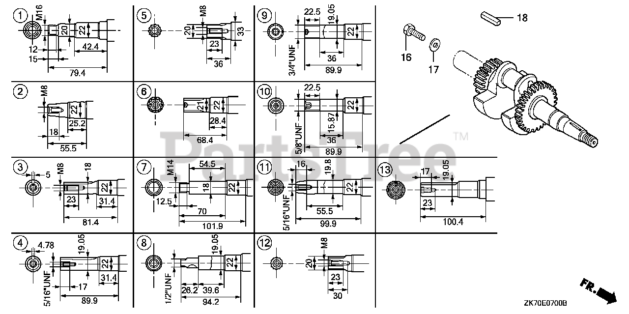
GX120 K1 WKT2/A (GC01) - Honda Engine, Made in Japan (SN: GC01-4300001 - GC01-9099999) CRANKSHAFT Parts Diagram

Engine, Made in Japan

CRANKSHAFT Parts Diagram

  • Title
7

Honda 13310-ZE0-631

CRANKSHAFT

$269.99

$

Usually ships in 3-6 days

0