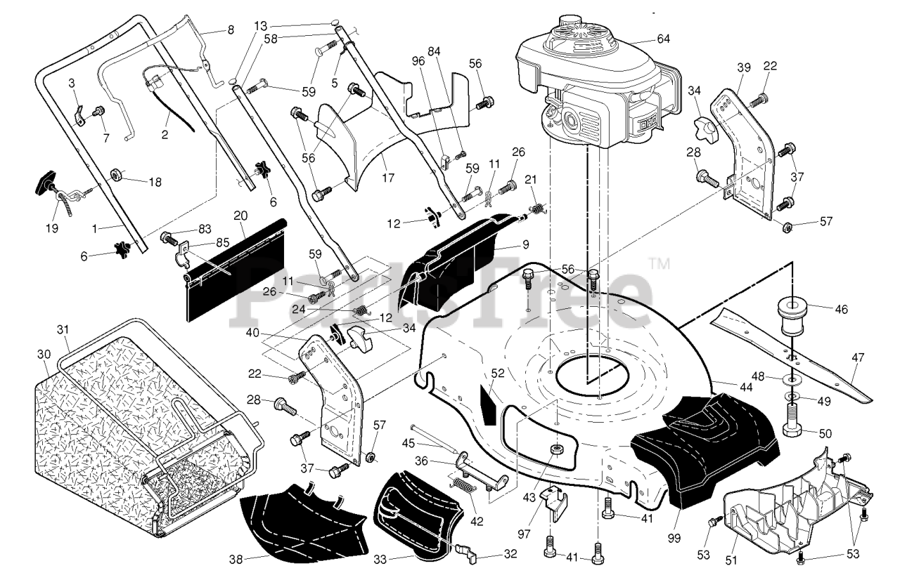
HU 700 L (961430097-01) - Husqvarna Walk-Behind Mower (2013-09) FRAME & ENGINE Parts Diagram

Walk-Behind Mower

FRAME & ENGINE Parts Diagram

  • Title
5

Husqvarna 532066426

TIE GUIDE
(Superseded to 532007192)

$9.49

$

Usually ships in 3-10 days

0

36

Husqvarna 532175735

BRACKET.ASM.HINGE.21.FWGD.

$

$

Not available

20

Husqvarna 532444501

SKIRT.REAR.22PLUS.RGD.LW(2 2MC

$13.99

$

In Stock, Qty 20+

0

30

Husqvarna 580943404

GBAG.B5610247T.SIL.HUSQ.BLUE
(Superseded to 580943401)

$56.99

$

In Stock, Qty 20+

0

26

Husqvarna 532419945

SCREW,DOOR/HANDLE.PIVOT

$6.99

$

In Stock, Qty 20+

0

38

Husqvarna 532426129

DEFLECTOR.CLIPPING.22.BLACK

$13.99

$

In Stock, Qty 20+

0

32

Husqvarna 532441192

LATCH.DOOR.ZINC

$

$

Not available

58

Husqvarna 532441197

HANDLE.LOWER.22+BT.2PC.GRY

$

$

Not available

24

Husqvarna 532419948

SPRING.RH.GRAY

Note: RH

$5.99

$

In Stock, Qty 20+

0

45

Husqvarna 532175650

ROD.HINGE.21

$5.99

$

In Stock, Qty 13

0

57

Husqvarna 532155377

NUT.FLANGE.5/16
(Superseded to 596039201)

$3.49

$

In Stock, Qty 20+

0

1

Husqvarna 580638706

HANDLE.UPPER.3.POS.BS.AW2.GREY

$

$

Not available

53

Husqvarna 532437345

SCREW.HI-LO.5/16 X.75

$4.99

$

In Stock, Qty 20+

0

12

Husqvarna 532191938

KNOB, DEFLECTOR
(Superseded to 532185577)

$9.49

$

In Stock, Qty 20+

0

13

Husqvarna 532437516

PLUG.PLASTIC.7/8".14-20.GAUGE

$

$

Not available

19

Husqvarna 532194788

RB GUIDE.ROPE.STD.BLK.ZIN WSL
(Superseded to 586122501)

$9.49

$

In Stock, only 3 left!

0

34

Husqvarna 532438134

BRACKET.GRASSBAG.ATTACHING.BLK

$

$

Not available

18

Husqvarna 532132004

NUT
(Superseded to 539976978)

$2.49

$

In Stock, Qty 20+

0

44

Husqvarna 532446261

HOUSING.22+.RWD.HUSQ.ORANGE

$

$

Not available

47

Husqvarna 580244002

BLADE 22 4-N-1 2PIN 5STAR BLK

$26.99

$

In Stock, Qty 20+

0

2

Husqvarna 532427497

CABLE.MZR.50.SNAP-IN

$14.99

$

In Stock, Qty 20+

0

96

Husqvarna 532197991

CLIP.CABLE.BLK

$3.99

$

In Stock, Qty 11

0

3

Husqvarna 532430034

BRACKET.UPSTOP.RT

$6.99

$

In Stock, only 2 left!

0

$3.99

$

In Stock, Qty 17

0

21

Husqvarna 532419949

SPRING.LH.BLACK

Note: LH

$5.99

$

In Stock, Qty 20+

0

40

Husqvarna 581353602

BRACKET.ASM.HNDL.RT.22+.GREY

Note: RH

$

$

Not available

50

Husqvarna 532851084

SCREW, HEX HD 3/8-24 X 1-3/8
(Superseded to 532435345)

$4.99

$

In Stock, Qty 20+

0

33

Husqvarna 532419927

DOOR.MULCH.22 PLUS.HUSQ.GREY
(Superseded to 594942002)

$10.99

$

In Stock, Qty 20+

0

56

Husqvarna 817411312

SCREW.HX.13X.750

$5.99

$

In Stock, Qty 20+

0

28

Husqvarna 872250505

BOLT
(Superseded to 596136401)

$3.49

$

In Stock, Qty 20+

0

42

Husqvarna 532193000

SPRING.TORSION

$7.99

$

In Stock, Qty 20+

0

6

Husqvarna 532182398

KNOB.HANDLE.PLASTIC.STAR.BLACK

$6.99

$

In Stock, Qty 20+

0

9

Husqvarna 532431390

DOOR.REAR.ASM.22+.HUSQ.FG/RGD
(Superseded to 593304501)

$56.99

$

In Stock, Qty 20+

0

99

Husqvarna 532437389

COVER.ASM.FRONT.SHROUD.HUSQ.

$

$

Not available

52

Husqvarna 532404763

DANGER DECAL
(Superseded to 581579101)

$3.49

$

Usually ships in 3-10 days

0

97

Husqvarna 581115302

BRACKET.BELT.GUIDE.22+.BZP

$

$

Not available

85

Husqvarna 532434530

BRACKET.SKIRT.22+.BZP

$4.99

$

In Stock, Qty 20+

0

46

Husqvarna 581851501

ADAPTER.BLADE.25MM.3MPH

$20.99

$

In Stock, Qty 20+

0

84

Husqvarna 532428124

FASTENER.PUSH.O.250X0.783

$2.49

$

In Stock, only 2 left!

0

43

Husqvarna 532191730

NUT.HEX.FLANGE.1/4

$3.99

$

In Stock, only 4 left!

0

11

Husqvarna 532425575

COTTER.HAIRPIN.DOOR/HANDLE.PIV

$3.49

$

In Stock, Qty 12

0

48

Husqvarna 532851074

WASHER,HARDEN

$4.99

$

In Stock, Qty 20+

0

41

Husqvarna 532150406

BOLT 3/8-16X1-1/8

$5.99

$

In Stock, Qty 12

0

8

Husqvarna 580849102

BAIL.OVER.MOLD.ERGO.MZR.ORANGE

$56.99

$

In Stock, only 4 left!

0

17

Husqvarna 581782101

BAFFLE.REAR.22+RGD.AWD.PLASTIC

$37.99

$

In Stock, Qty 7

0

59

Husqvarna 532191574

BOLT, HANDLE 5/16-18X1.75

$6.99

$

In Stock, Qty 20+

0

51

Husqvarna 581238901

BAFFLE.FRONT.22+PLASTIC.(2 2)

$

$

Not available

64

000000000

Note: HONDA GCV160-LAOS3B FOR SERVICE & PARTS 1-800-426-7701

$

$

Not available

31

Husqvarna 532419951

RB FRAME.GBAG.22PLUS
(Superseded to 585054702)

$34.99

$

In Stock, Qty 20+

0

83

Husqvarna 532750097

TAPPING SCREW
(Superseded to 817021008)

$3.99

$

In Stock, Qty 20+

0

39

Husqvarna 581353702

BRACKET.ASM.HNDL.LT.22+.GREY

Note: LH

$

$

Not available

49

Husqvarna 532850263

LOCKWASHER
(Superseded to 539990118)

$3.99

$

In Stock, Qty 20+

0

37

Husqvarna 817000510

BOLT.5/16HEX.WHS.HD

$5.99

$

In Stock, Qty 20+

0

22

Husqvarna 532141841

SCREW.PAN.HEAD.#10

$3.49

$

In Stock, only 2 left!

0