HUV 4414 XP - Husqvarna 4x4 Utility Vehicle (2009-05) Transmission - Diesel Vehicles, Continued Parts Diagram

4x4 Utility Vehicle

Transmission - Diesel Vehicles, Continued Parts Diagram

  • Title
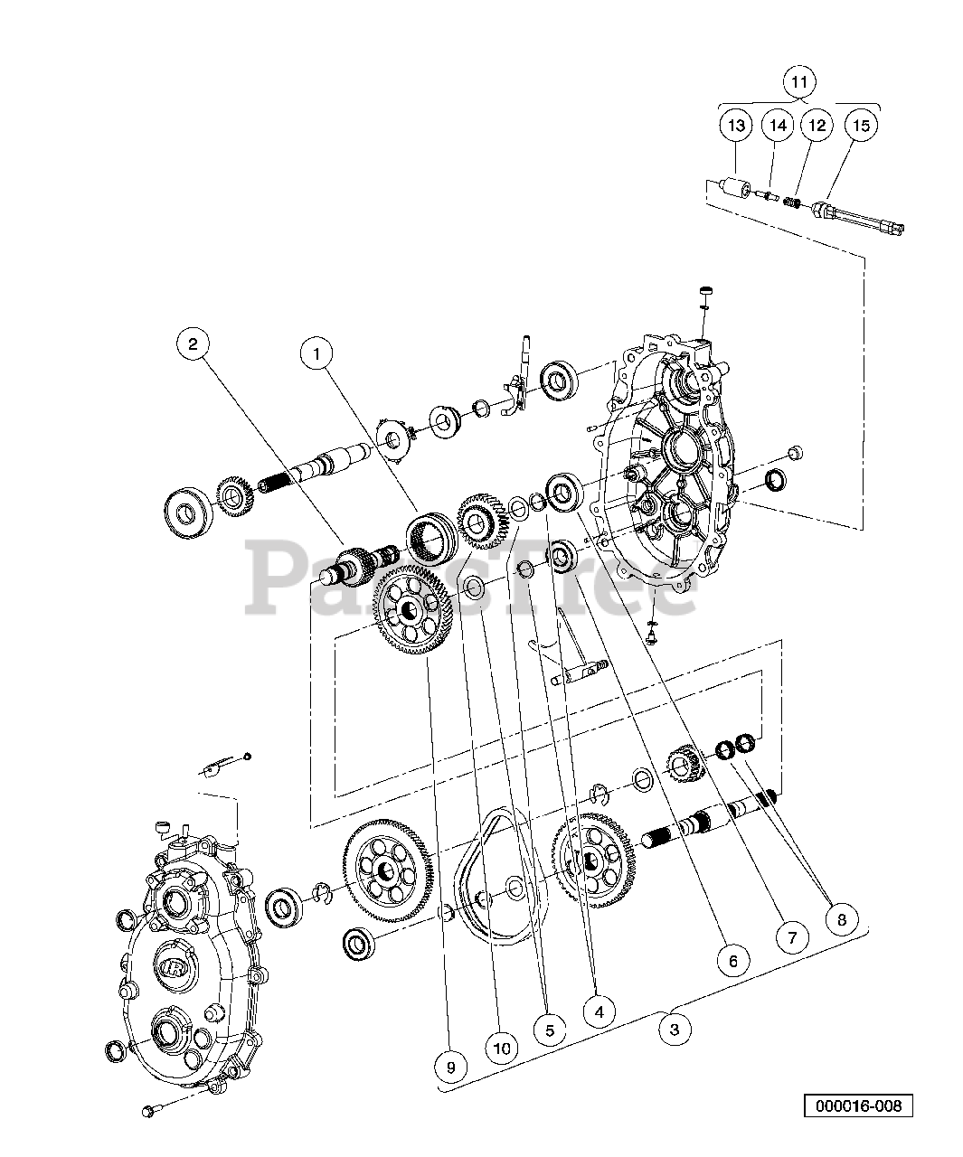
1

Husqvarna 603002826

Dog, Engagement

$

$

Not available

2

Husqvarna 603002836

Shaft, Intermediate.

$

$

Not available

3

Husqvarna 603001784

Kit, Forward Gear Repair

Note: (includes items 4 through 10)

$

$

Not available

4

Husqvarna 603001642

Ring, Retaining, Basic External

$

$

Not available

5

Husqvarna 603001645

Washer, Thrust, 1.007 X .062

$

$

Not available

6

Husqvarna 603001648

Bearing, Ball

$

$

Not available

7

Husqvarna 603001649

Bearing, Ball

$

$

Not available

8

Husqvarna 603001651

Bearing, Needle.

$

$

Not available

9

Gear, Helical 58-Tooth

$

$

Not available

10

Gear, Helical 34-Tooth

$

$

Not available

11

Husqvarna 603001786

Kit, Neutral Switch Repair

Note: (includes items 12 through 15)

$

$

Not available

12

Spring, .484 X .340 X 1.07

$

$

Not available

13

Guide, Detent Bullet

$

$

Not available

14

Bullet, Detent

$

$

Not available

15

Switch, Indicator, Pollak

$

$

Not available