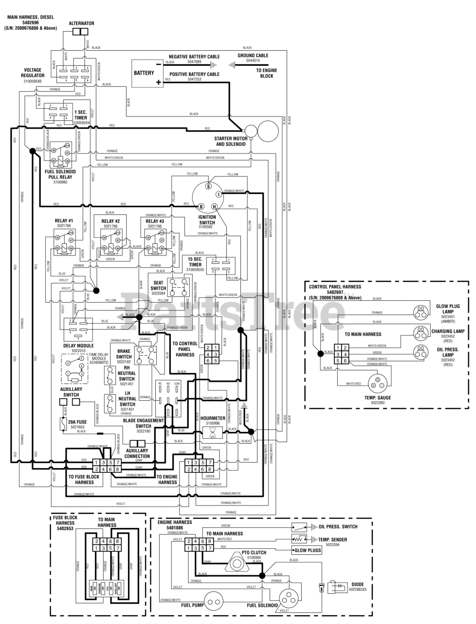
IS 2000Z (5900627) - Ferris IS2000Z Series 48" Zero-Turn Mower, 20hp Yanmar, Side-Discharge Electric Schematic - PTO & Hourmeter Circuit (S/N: 2000676808 & Above) Parts Diagram

IS2000Z Series 48" Zero-Turn Mower, 20hp Yanmar, Side-Discharge

Electric Schematic - PTO & Hourmeter Circuit (S/N: 2000676808 & Above) Parts Diagram

  • Title