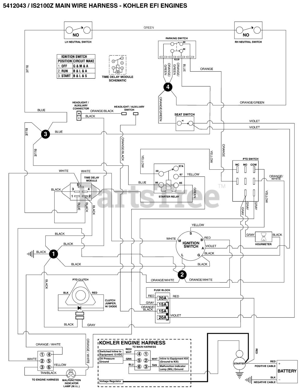
IS 2100Z (5901304) - Ferris IS2100Z Series 61" Zero-Turn Mower, 27hp Kohler Electrical Schematic - Charging Circuit - Units with Time Delay Modules Parts Diagram

IS2100Z Series 61" Zero-Turn Mower, 27hp Kohler

Electrical Schematic - Charging Circuit - Units with Time Delay Modules Parts Diagram

  • Title