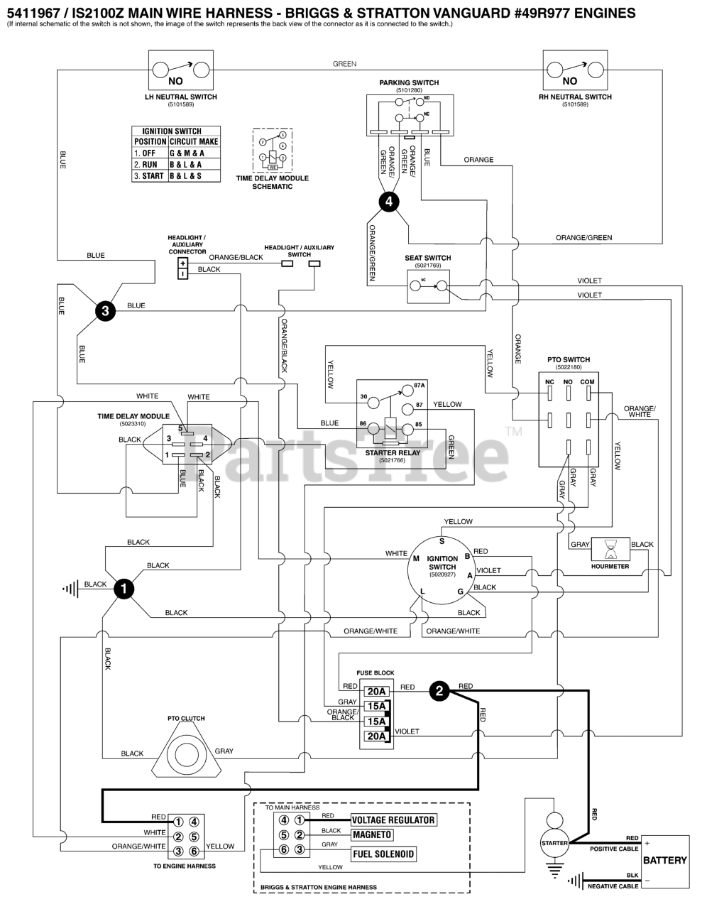
IS 2100Z (5901346) - Ferris IS2100Z Series 61" Zero-Turn Mower, 26hp Briggs & Stratton Electrical Schematic - Charging Circuit - B&S 49R977 S/N: 2017360078 & Below Parts Diagram

IS2100Z Series 61" Zero-Turn Mower, 26hp Briggs & Stratton

Electrical Schematic - Charging Circuit - B&S 49R977 S/N: 2017360078 & Below Parts Diagram

  • Title