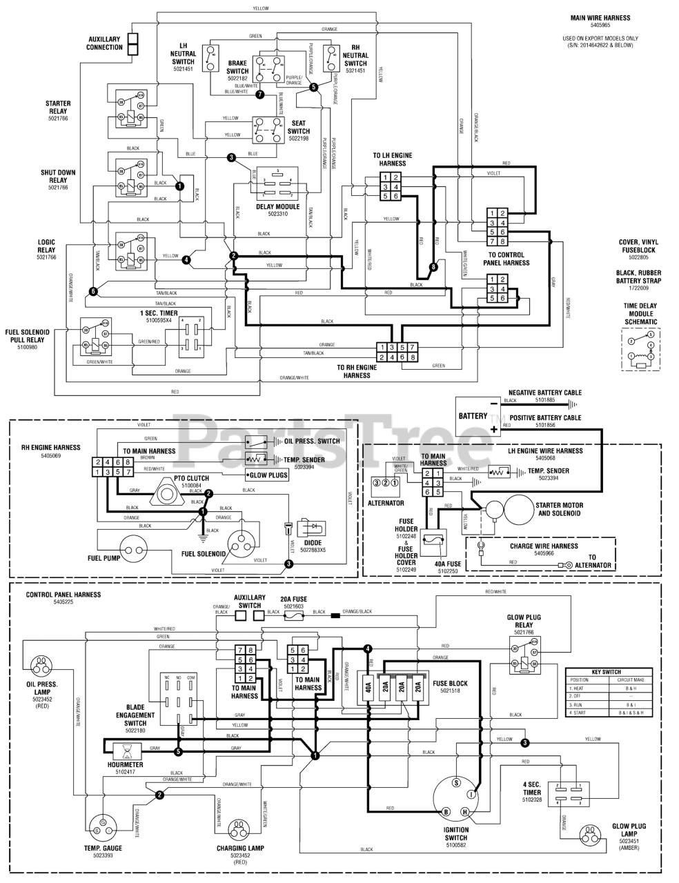
IS 2500Z (5900781) - Ferris IS2500Z Series 52" Zero-Turn Mower, 20hp Yanmar, Rear-Discharge Electrical Schematic - CE Models - PTO & Hourmeter Circuit Parts Diagram

IS2500Z Series 52" Zero-Turn Mower, 20hp Yanmar, Rear-Discharge

Electrical Schematic - CE Models - PTO & Hourmeter Circuit Parts Diagram

  • Title