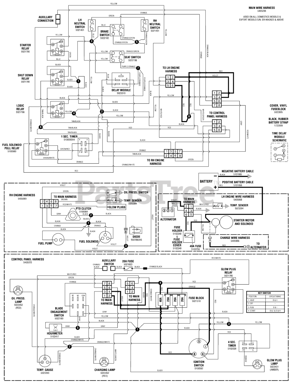
IS 2500Z (5900799) - Ferris IS2500Z Series 61" Zero-Turn Mower, 24hp Yanmar, Side-Discharge Electrical Schematic - Charging Circuit S/N: 2015276814 & Below Parts Diagram

IS2500Z Series 61" Zero-Turn Mower, 24hp Yanmar, Side-Discharge

Electrical Schematic - Charging Circuit S/N: 2015276814 & Below Parts Diagram

  • Title