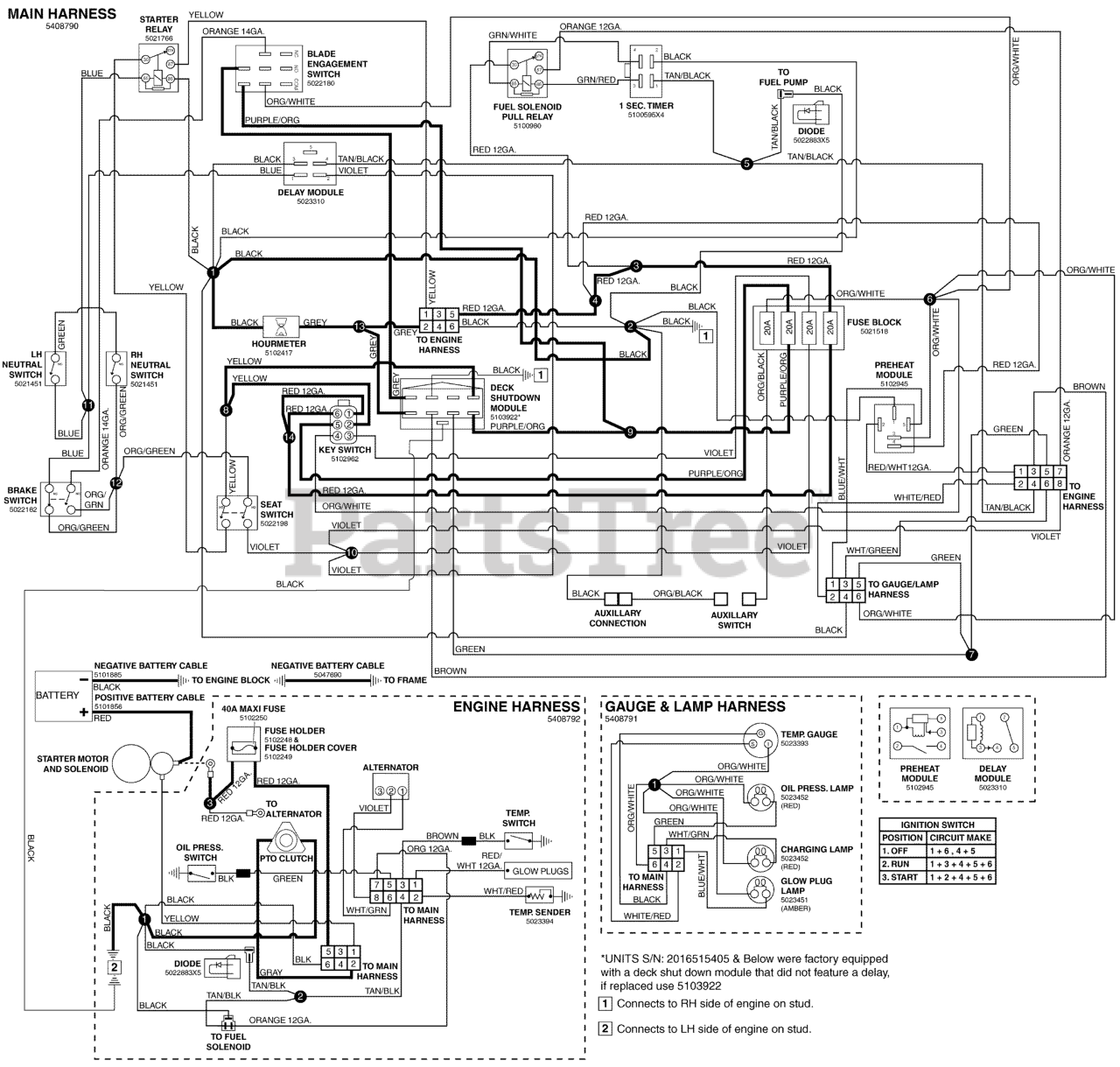
IS 2500Z (5900932) - Ferris IS2500Z Series 61" Zero-Turn Mower, 24hp Yanmar, Rear-Discharge Electrical Schematic - PTO & Hourmeter Circuit S/N: 2015276815 & Above Parts Diagram

IS2500Z Series 61" Zero-Turn Mower, 24hp Yanmar, Rear-Discharge

Electrical Schematic - PTO & Hourmeter Circuit S/N: 2015276815 & Above Parts Diagram

  • Title