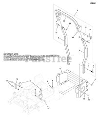
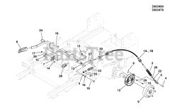
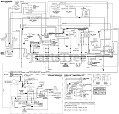
IS 2500Z (5901295) - Ferris IS2500Z Series 61" Zero-Turn Mower, 24hp Yanmar, Side-Discharge Parts & Diagrams Parts Lists & Diagrams

IS2500Z Series 61" Zero-Turn Mower, 24hp Yanmar, Side-Discharge