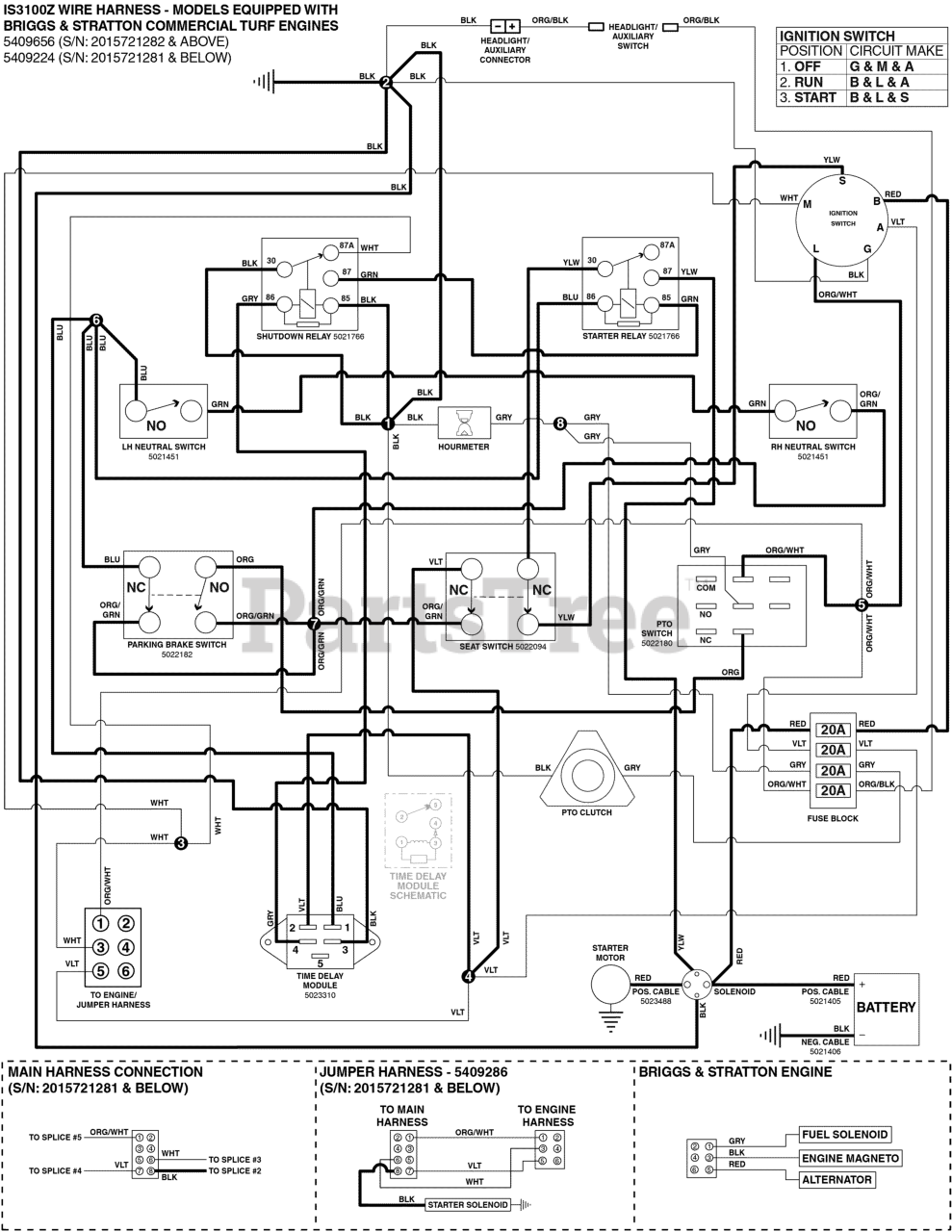
IS 3100Z (5900559) - Ferris IS3100Z Series 61" Zero-Turn Mower, 30hp Briggs & Stratton Electrical Schematic - Cranking Circuit - Briggs & Stratton Commercial Turf Parts Diagram

IS3100Z Series 61" Zero-Turn Mower, 30hp Briggs & Stratton

Electrical Schematic - Cranking Circuit - Briggs & Stratton Commercial Turf Parts Diagram

  • Title