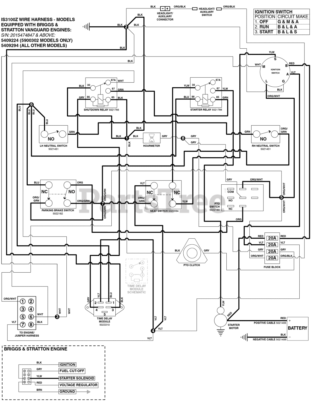
IS 3100Z (5900786) - Ferris IS3100Z Series 61" Zero-Turn Mower, 32hp Briggs & Stratton Electrical Schematic - Cranking Circuit - B&S Vanguard S/N: 2015474847 & Above Parts Diagram

IS3100Z Series 61" Zero-Turn Mower, 32hp Briggs & Stratton

Electrical Schematic - Cranking Circuit - B&S Vanguard S/N: 2015474847 & Above Parts Diagram

  • Title