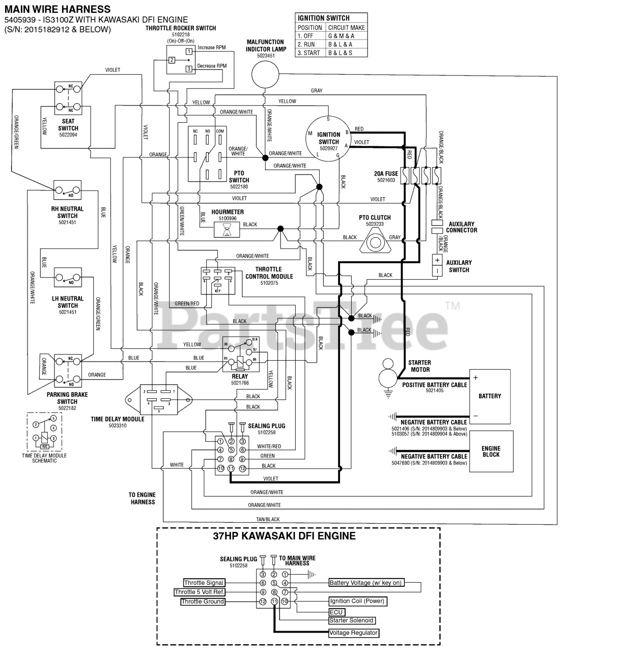
IS 3100Z (5900969) - Ferris IS3100Z Series 61" Zero-Turn Mower, 37hp Kawasaki (SN: 2015182912 & Below) Electrical Schematic - Charging Circuit - Kawasaki DFI S/N: 2015182912 & Below Parts Diagram

IS3100Z Series 61" Zero-Turn Mower, 37hp Kawasaki

Electrical Schematic - Charging Circuit - Kawasaki DFI S/N: 2015182912 & Below Parts Diagram

  • Title